|
NU.ER.T.系列微小流量流量计是一种采用涡轮原理设计专门测量微小流量的专用流量计,它具有极高的精度概述
NU.ER.T.系列微小流量流量计是一种采用涡轮原理设计专门测量微小流量的专用流量计,它具有极高的精度,特别是在高温和高压的条件下也是如此。电子脉冲发生器也集成在流量计内,在长期连续工作的条件下也能保持±1%的精度和±0.25%的重复性。由于灵巧的结构设计,在工作时不会形成沉淀,所以仪表的工作完成是“洁净”的。因此,即使是极为苛刻的要求,例如半导体集成电路和芯片的生产流程中使用的刻蚀剂,具有极强的耐腐蚀性,并如有一个极微小的颗粒落下,也会使芯片成为废品,这些NU.ER.T.产品都能满足。该系列流量计用途十分广泛:可用于测量、调节、分配液体,包括工业、化学、石油和商用咖啡机等。当应用于食品卫生工业时,其产品都通过美国国家食品安全部门(NSF)的验证。
技术参数
|
测量范围 |
口径 |
最小流量 |
最大流量 |
仪表系数 |
|
1.1mm |
2.1 L/h |
90 L/h |
0.487 |
|
1.2mm |
3.06 L/h |
108 L/h |
0.543 |
|
1.4mm |
5.04 L/h |
138 L/h |
0.625 |
|
1.5mm |
5.58 L/h |
150 L/h |
0.697 |
|
压力范围 |
最大20.0bar |
|
温度范围 |
-10℃/+100℃ |
|
精度等级 |
±1% |
|
重复精度 |
±0.25% |
|
管道连接 |
G 1/4 内螺纹(可根据客户要求定制) |
|
材 质 |
壳体Green Brass (五千铜) |
|
轴承INO×18/8(1.4305)不锈钢 |
|
涡轮用两块磁体得PVDF(聚偏氟乙烯) |
|
磁体SrFeO陶瓷,超声焊接 |
|
密封MVQ(硅橡胶“O”型圈) |
|
安装方式 |
水平安装 |
|
外形尺寸(L×B×H) |
55×40×47mm |
|
重 量 |
约300g |
|
认 证 |
NSF,CE |
接线方式
l 流量传感器
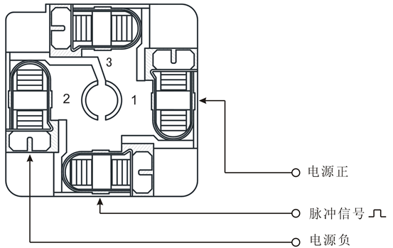
首先将豪斯曼接头上部的螺丝松开拔下接头部分,接线端子如图所示。

流量传感器接线方式:

仪表出厂前均已接线完毕并配带不同颜色引线,客户可重新接线使用。引线接线颜色如下:

调试与使用
流量传感器出厂前已进行了标定与调整,无需调试
传感器与二次显示仪表连接:首先核对传感器的输出特性(输出脉冲的频率范围、幅值、脉宽等)与显示仪表输入特性是否相配。按照传感器的仪表系数设定显示仪表的参数设置。核对传感器电源和线制,以及阻抗匹配。还要考虑传感器的前置放大器防电磁干扰,如在室外还应采取防雨淋等措施。
传输电缆通常用带屏蔽和防护套的双芯或三芯通信电缆,有效截面积1.25~2mm2多股铜线。屏蔽线只能一端接地,最好在显示仪表端接地。尽可能用一根完整的电缆(即中间不接续)。电缆最好装入金属管里,以避免机械损伤。该金属管如同时装入另一电缆,则该电缆输送最大功率不能大于本仪表流量信号电缆输送最小功率的10倍。
传输电缆的路径不应与动力电源线平行,也不要敷设在动力电源线集中的区域,以避免电磁场的干扰。
连接管道的安装要求
水平安装的传感器要求管道不应有目测可觉察的倾斜(一般在5°以内),垂直安装的传感器管道垂直度偏差亦应小于5°。
需连续运行不能停流的场所,应装旁通管和可靠的截止阀,测量时要确保旁通管无泄漏。
在新铺设管道装传感器的位置先介入一段短管代替传感器,待:“扫线”工作完毕确认管道内清扫干净后,再正式接入传感器。由于忽视此项工作,扫线损坏传感器屡见不鲜。
若流体含杂质,则应在传感器上游侧装过滤器,对于不能停流的,应并联安装两套过滤器轮流清除杂质,或选用自动清洗型过滤器。若被测液体含有气体,则应在传感器上游侧装消气器。过滤器和消气器的排污口和消气口要通向安全的场所。
若传感器安装位置处于管线的低点,为防止流体中杂质沉淀滞留,应在其后的管线装排放阀,定期排放沉淀杂质。
被测流体若为易气化的液体,为防止发生气穴,影响测量精确度和使用期限,传感器的出口端压力应高于公式5计算的最低压力pmin
pmin=2△p+1.25pv Pa 公式1
式中 pmin——最低压力,Pa;
△p——传感器最大流量时压力损失,Pa;
pv——被测液体最高使用温度时饱和蒸汽压,Pa。
流量调节阀应装在传感器下游,上游侧的截止阀测量时应全开,且这些阀门都不得产生振动和向外泄漏。对于可能产生逆向流的流程应加止回阀以防止流体反向流动。
传感器应与管道同心,密封垫圈不得凸入管路。液体传感器不应装在水平管线的最高点,以免管线内聚集的气体(如停流时混入空气)停留在传感器处,不易排出而影像测量。
传感器前后管道应支撑牢靠,不产生振动。对易凝结流体要对传感器及其前后管道采取保温措施。
使用注意事项
(1)投入运行的启闭顺序
未装旁路管的流量传感器,先以中等开度开启流量传感器上游阀,然后缓慢开启下游阀。以较小流量运行一段时间(如10分钟),然后全开上游阀,再开大下游阀开度,调节到所需正常流量。
装有旁路管的流量传感器,先全开旁路管阀,以中等开度开启上游阀,缓慢开启下游阀,关小旁路阀开度,使仪表以较小流量运行一段时间。然后全开上游阀,全关旁路阀(要保证无泄漏),最后调节下游阀开度到所需的流量。
(2)低温和高温流体的启用
低温流体管道在通流前要排净管道中的水分,通流时先以很小流量运行15分钟,再渐渐升高至正常流量。停流时也要缓慢进行,使管道温度和环境温度逐渐接近。高温流体运行与此相类似。
(3)其他注意事项
启闭阀应尽可能平缓,如采用自动控制启闭,最好用“两段开启,两段关闭”方式,防止流体突然冲击叶轮甚至发生水锤现象损坏叶轮。
检查流量传感器下游压力。当管道压力不高,在投入运行初期观察最大流量下传感器下游压力是否大于公式1计算的pmin,否则应采取措施以防止产生气穴。
流量传感器的仪表系数是经过标准装置校验后,供给用户校验单上写明的,谨防丢失。传感器长期使用因轴承磨损等原因,仪表系数会发生变化,应定期进行离线或在线校验。若流量超出允许范围,应更换传感器。
有些测量对象,如输送成品油管线更换油品或停用时,需定期进行扫线清管工作。扫线清管所用流体的流向、流量、压力和温度等均应符合涡轮流量计的规定,否则会引起精确度降低甚至损坏。
为保证流量计长期正常工作,要加强仪表的运行检查,一旦发现异常及时采取措施排除。监测叶轮旋转情况,如听到异常声音,用示波器监测检测线圈输出波形,如有异常波形,应及时卸下检查传感器内部零件。如怀疑有不正常现象应及时检查。保持过滤器畅通,过滤器可从出入口压力计的压差来判断是否堵塞。要定期排放消气器中从液体逸出的气体等等。
,特别是在高温和高压的条件下也是如此。电子脉冲发生器也集成在流量计内,在长期连续工作的条件下也能保持±1%的精度和±0.25%的重复性。由于灵巧的结构设计,在工作时不会形成沉淀,所以仪表的工作完成是“洁净”的。因此,即使是极为苛刻的要求,例如半导体集成电路和芯片的生产流程中使用的刻蚀剂,具有极强的耐腐蚀性,并如有一个极微小的颗粒落下,也会使芯片成为废品,这些NU.ER.T.产品都能满足。该系列流量计用途十分广泛:可用于测量、调节、分配液体,包括工业、化学、石油和商用咖啡机等。当应用于食品卫生工业时,其产品都通过美国国家食品安全部门(NSF)的验证。
技术参数
|
测量范围 |
口径 |
最小流量 |
最大流量 |
仪表系数 |
|
1.1mm |
2.1 L/h |
90 L/h |
0.487 |
|
1.2mm |
3.06 L/h |
108 L/h |
0.543 |
|
1.4mm |
5.04 L/h |
138 L/h |
0.625 |
|
1.5mm |
5.58 L/h |
150 L/h |
0.697 |
|
压力范围 |
最大20.0bar |
|
温度范围 |
-10℃/+100℃ |
|
精度等级 |
±1% |
|
重复精度 |
±0.25% |
|
管道连接 |
G 1/4 内螺纹(可根据客户要求定制) |
|
材 质 |
壳体Green Brass (五千铜) |
|
轴承INO×18/8(1.4305)不锈钢 |
|
涡轮用两块磁体得PVDF(聚偏氟乙烯) |
|
磁体SrFeO陶瓷,超声焊接 |
|
密封MVQ(硅橡胶“O”型圈) |
|
安装方式 |
水平安装 |
|
外形尺寸(L×B×H) |
55×40×47mm |
|
重 量 |
约300g |
|
认 证 |
NSF,CE |
接线方式
l 流量传感器
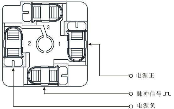
首先将豪斯曼接头上部的螺丝松开拔下接头部分,接线端子如图所示。

流量传感器接线方式:

仪表出厂前均已接线完毕并配带不同颜色引线,客户可重新接线使用。引线接线颜色如下:

调试与使用
流量传感器出厂前已进行了标定与调整,无需调试
传感器与二次显示仪表连接:首先核对传感器的输出特性(输出脉冲的频率范围、幅值、脉宽等)与显示仪表输入特性是否相配。按照传感器的仪表系数设定显示仪表的参数设置。核对传感器电源和线制,以及阻抗匹配。还要考虑传感器的前置放大器防电磁干扰,如在室外还应采取防雨淋等措施。
传输电缆通常用带屏蔽和防护套的双芯或三芯通信电缆,有效截面积1.25~2mm2多股铜线。屏蔽线只能一端接地,最好在显示仪表端接地。尽可能用一根完整的电缆(即中间不接续)。电缆最好装入金属管里,以避免机械损伤。该金属管如同时装入另一电缆,则该电缆输送最大功率不能大于本仪表流量信号电缆输送最小功率的10倍。
传输电缆的路径不应与动力电源线平行,也不要敷设在动力电源线集中的区域,以避免电磁场的干扰。
连接管道的安装要求
水平安装的传感器要求管道不应有目测可觉察的倾斜(一般在5°以内),垂直安装的传感器管道垂直度偏差亦应小于5°。
需连续运行不能停流的场所,应装旁通管和可靠的截止阀,测量时要确保旁通管无泄漏。
在新铺设管道装传感器的位置先介入一段短管代替传感器,待:“扫线”工作完毕确认管道内清扫干净后,再正式接入传感器。由于忽视此项工作,扫线损坏传感器屡见不鲜。
若流体含杂质,则应在传感器上游侧装过滤器,对于不能停流的,应并联安装两套过滤器轮流清除杂质,或选用自动清洗型过滤器。若被测液体含有气体,则应在传感器上游侧装消气器。过滤器和消气器的排污口和消气口要通向安全的场所。
若传感器安装位置处于管线的低点,为防止流体中杂质沉淀滞留,应在其后的管线装排放阀,定期排放沉淀杂质。
被测流体若为易气化的液体,为防止发生气穴,影响测量精确度和使用期限,传感器的出口端压力应高于公式5计算的最低压力pmin
pmin=2△p+1.25pv Pa 公式1
式中 pmin——最低压力,Pa;
△p——传感器最大流量时压力损失,Pa;
pv——被测液体最高使用温度时饱和蒸汽压,Pa。
流量调节阀应装在传感器下游,上游侧的截止阀测量时应全开,且这些阀门都不得产生振动和向外泄漏。对于可能产生逆向流的流程应加止回阀以防止流体反向流动。
传感器应与管道同心,密封垫圈不得凸入管路。液体传感器不应装在水平管线的最高点,以免管线内聚集的气体(如停流时混入空气)停留在传感器处,不易排出而影像测量。
传感器前后管道应支撑牢靠,不产生振动。对易凝结流体要对传感器及其前后管道采取保温措施。
使用注意事项
(1)投入运行的启闭顺序
未装旁路管的流量传感器,先以中等开度开启流量传感器上游阀,然后缓慢开启下游阀。以较小流量运行一段时间(如10分钟),然后全开上游阀,再开大下游阀开度,调节到所需正常流量。
装有旁路管的流量传感器,先全开旁路管阀,以中等开度开启上游阀,缓慢开启下游阀,关小旁路阀开度,使仪表以较小流量运行一段时间。然后全开上游阀,全关旁路阀(要保证无泄漏),最后调节下游阀开度到所需的流量。
(2)低温和高温流体的启用
低温流体管道在通流前要排净管道中的水分,通流时先以很小流量运行15分钟,再渐渐升高至正常流量。停流时也要缓慢进行,使管道温度和环境温度逐渐接近。高温流体运行与此相类似。
(3)其他注意事项
启闭阀应尽可能平缓,如采用自动控制启闭,最好用“两段开启,两段关闭”方式,防止流体突然冲击叶轮甚至发生水锤现象损坏叶轮。
检查流量传感器下游压力。当管道压力不高,在投入运行初期观察最大流量下传感器下游压力是否大于公式1计算的pmin,否则应采取措施以防止产生气穴。
流量传感器的仪表系数是经过标准装置校验后,供给用户校验单上写明的,谨防丢失。传感器长期使用因轴承磨损等原因,仪表系数会发生变化,应定期进行离线或在线校验。若流量超出允许范围,应更换传感器。
有些测量对象,如输送成品油管线更换油品或停用时,需定期进行扫线清管工作。扫线清管所用流体的流向、流量、压力和温度等均应符合涡轮流量计的规定,否则会引起精确度降低甚至损坏。
为保证流量计长期正常工作,要加强仪表的运行检查,一旦发现异常及时采取措施排除。监测叶轮旋转情况,如听到异常声音,用示波器监测检测线圈输出波形,如有异常波形,应及时卸下检查传感器内部零件。如怀疑有不正常现象应及时检查。保持过滤器畅通,过滤器可从出入口压力计的压差来判断是否堵塞。要定期排放消气器中从液体逸出的气体等等。
述
NU.ER.T.系列微小流量流量计是一种采用涡轮原理设计专门测量微小流量的专用流量计,它具有极高的精度,特别是在高温和高压的条件下也是如此。电子脉冲发生器也集成在流量计内,在长期连续工作的条件下也能保持±1%的精度和±0.25%的重复性。由于灵巧的结构设计,在工作时不会形成沉淀,所以仪表的工作完成是“洁净”的。因此,即使是极为苛刻的要求,例如半导体集成电路和芯片的生产流程中使用的刻蚀剂,具有极强的耐腐蚀性,并如有一个极微小的颗粒落下,也会使芯片成为废品,这些NU.ER.T.产品都能满足。该系列流量计用途十分广泛:可用于测量、调节、分配液体,包括工业、化学、石油和商用咖啡机等。当应用于食品卫生工业时,其产品都通过美国国家食品安全部门(NSF)的验证。
技术参数
|
测量范围 |
口径 |
最小流量 |
最大流量 |
仪表系数 |
|
1.1mm |
2.1 L/h |
90 L/h |
0.487 |
|
1.2mm |
3.06 L/h |
108 L/h |
0.543 |
|
1.4mm |
5.04 L/h |
138 L/h |
0.625 |
|
1.5mm |
5.58 L/h |
150 L/h |
0.697 |
|
压力范围 |
最大20.0bar |
|
温度范围 |
-10℃/+100℃ |
|
精度等级 |
±1% |
|
重复精度 |
±0.25% |
|
管道连接 |
G 1/4 内螺纹(可根据客户要求定制) |
|
材 质 |
壳体Green Brass (五千铜) |
|
轴承INO×18/8(1.4305)不锈钢 |
|
涡轮用两块磁体得PVDF(聚偏氟乙烯) |
|
磁体SrFeO陶瓷,超声焊接 |
|
密封MVQ(硅橡胶“O”型圈) |
|
安装方式 |
水平安装 |
|
外形尺寸(L×B×H) |
55×40×47mm |
|
重 量 |
约300g |
|
认 证 |
NSF,CE |
接线方式
l 流量传感器
首先将豪斯曼接头上部的螺丝松开拔下接头部分,接线端子如图所示。

流量传感器接线方式:

仪表出厂前均已接线完毕并配带不同颜色引线,客户可重新接线使用。引线接线颜色如下:

调试与使用
流量传感器出厂前已进行了标定与调整,无需调试
传感器与二次显示仪表连接:首先核对传感器的输出特性(输出脉冲的频率范围、幅值、脉宽等)与显示仪表输入特性是否相配。按照传感器的仪表系数设定显示仪表的参数设置。核对传感器电源和线制,以及阻抗匹配。还要考虑传感器的前置放大器防电磁干扰,如在室外还应采取防雨淋等措施。
传输电缆通常用带屏蔽和防护套的双芯或三芯通信电缆,有效截面积1.25~2mm2多股铜线。屏蔽线只能一端接地,最好在显示仪表端接地。尽可能用一根完整的电缆(即中间不接续)。电缆最好装入金属管里,以避免机械损伤。该金属管如同时装入另一电缆,则该电缆输送最大功率不能大于本仪表流量信号电缆输送最小功率的10倍。
传输电缆的路径不应与动力电源线平行,也不要敷设在动力电源线集中的区域,以避免电磁场的干扰。
连接管道的安装要求
水平安装的传感器要求管道不应有目测可觉察的倾斜(一般在5°以内),垂直安装的传感器管道垂直度偏差亦应小于5°。
需连续运行不能停流的场所,应装旁通管和可靠的截止阀,测量时要确保旁通管无泄漏。
在新铺设管道装传感器的位置先介入一段短管代替传感器,待:“扫线”工作完毕确认管道内清扫干净后,再正式接入传感器。由于忽视此项工作,扫线损坏传感器屡见不鲜。
若流体含杂质,则应在传感器上游侧装过滤器,对于不能停流的,应并联安装两套过滤器轮流清除杂质,或选用自动清洗型过滤器。若被测液体含有气体,则应在传感器上游侧装消气器。过滤器和消气器的排污口和消气口要通向安全的场所。
若传感器安装位置处于管线的低点,为防止流体中杂质沉淀滞留,应在其后的管线装排放阀,定期排放沉淀杂质。
被测流体若为易气化的液体,为防止发生气穴,影响测量精确度和使用期限,传感器的出口端压力应高于公式5计算的最低压力pmin
pmin=2△p+1.25pv Pa 公式1
式中 pmin——最低压力,Pa;
△p——传感器最大流量时压力损失,Pa;
pv——被测液体最高使用温度时饱和蒸汽压,Pa。
流量调节阀应装在传感器下游,上游侧的截止阀测量时应全开,且这些阀门都不得产生振动和向外泄漏。对于可能产生逆向流的流程应加止回阀以防止流体反向流动。
传感器应与管道同心,密封垫圈不得凸入管路。液体传感器不应装在水平管线的最高点,以免管线内聚集的气体(如停流时混入空气)停留在传感器处,不易排出而影像测量。
传感器前后管道应支撑牢靠,不产生振动。对易凝结流体要对传感器及其前后管道采取保温措施。
使用注意事项
(1)投入运行的启闭顺序
未装旁路管的流量传感器,先以中等开度开启流量传感器上游阀,然后缓慢开启下游阀。以较小流量运行一段时间(如10分钟),然后全开上游阀,再开大下游阀开度,调节到所需正常流量。
装有旁路管的流量传感器,先全开旁路管阀,以中等开度开启上游阀,缓慢开启下游阀,关小旁路阀开度,使仪表以较小流量运行一段时间。然后全开上游阀,全关旁路阀(要保证无泄漏),最后调节下游阀开度到所需的流量。
(2)低温和高温流体的启用
低温流体管道在通流前要排净管道中的水分,通流时先以很小流量运行15分钟,再渐渐升高至正常流量。停流时也要缓慢进行,使管道温度和环境温度逐渐接近。高温流体运行与此相类似。
(3)其他注意事项
启闭阀应尽可能平缓,如采用自动控制启闭,最好用“两段开启,两段关闭”方式,防止流体突然冲击叶轮甚至发生水锤现象损坏叶轮。
检查流量传感器下游压力。当管道压力不高,在投入运行初期观察最大流量下传感器下游压力是否大于公式1计算的pmin,否则应采取措施以防止产生气穴。
流量传感器的仪表系数是经过标准装置校验后,供给用户校验单上写明的,谨防丢失。传感器长期使用因轴承磨损等原因,仪表系数会发生变化,应定期进行离线或在线校验。若流量超出允许范围,应更换传感器。
有些测量对象,如输送成品油管线更换油品或停用时,需定期进行扫线清管工作。扫线清管所用流体的流向、流量、压力和温度等均应符合涡轮流量计的规定,否则会引起精确度降低甚至损坏。
为保证流量计长期正常工作,要加强仪表的运行检查,一旦发现异常及时采取措施排除。监测叶轮旋转情况,如听到异常声音,用示波器监测检测线圈输出波形,如有异常波形,应及时卸下检查传感器内部零件。如怀疑有不正常现象应及时检查。保持过滤器畅通,过滤器可从出入口压力计的压差来判断是否堵塞。要定期排放消气器中从液体逸出的气体等等。
概述
NU.ER.T.系列微小流量流量计是一种采用涡轮原理设计专门测量微小流量的专用流量计,它具有极高的精度概述
NU.ER.T.系列微小流量流量计是一种采用涡轮原理设计专门测量微小流量的专用流量计,它具有极高的精度,特别是在高温和高压的条件下也是如此。电子脉冲发生器也集成在流量计内,在长期连续工作的条件下也能保持±1%的精度和±0.25%的重复性。由于灵巧的结构设计,在工作时不会形成沉淀,所以仪表的工作完成是“洁净”的。因此,即使是极为苛刻的要求,例如半导体集成电路和芯片的生产流程中使用的刻蚀剂,具有极强的耐腐蚀性,并如有一个极微小的颗粒落下,也会使芯片成为废品,这些NU.ER.T.产品都能满足。该系列流量计用途十分广泛:可用于测量、调节、分配液体,包括工业、化学、石油和商用咖啡机等。当应用于食品卫生工业时,其产品都通过美国国家食品安全部门(NSF)的验证。
技术参数
|
测量范围 |
口径 |
最小流量 |
最大流量 |
仪表系数 |
|
1.1mm |
2.1 L/h |
90 L/h |
0.487 |
|
1.2mm |
3.06 L/h |
108 L/h |
0.543 |
|
1.4mm |
5.04 L/h |
138 L/h |
0.625 |
|
1.5mm |
5.58 L/h |
150 L/h |
0.697 |
|
压力范围 |
最大20.0bar |
|
温度范围 |
-10℃/+100℃ |
|
精度等级 |
±1% |
|
重复精度 |
±0.25% |
|
管道连接 |
G 1/4 内螺纹(可根据客户要求定制) |
|
材 质 |
壳体Green Brass (五千铜) |
|
轴承INO×18/8(1.4305)不锈钢 |
|
涡轮用两块磁体得PVDF(聚偏氟乙烯) |
|
磁体SrFeO陶瓷,超声焊接 |
|
密封MVQ(硅橡胶“O”型圈) |
|
安装方式 |
水平安装 |
|
外形尺寸(L×B×H) |
55×40×47mm |
|
重 量 |
约300g |
|
认 证 |
NSF,CE |
接线方式
l 流量传感器
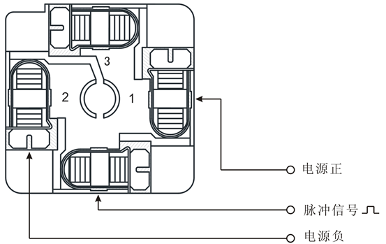
首先将豪斯曼接头上部的螺丝松开拔下接头部分,接线端子如图所示。

流量传感器接线方式:

仪表出厂前均已接线完毕并配带不同颜色引线,客户可重新接线使用。引线接线颜色如下:

调试与使用
流量传感器出厂前已进行了标定与调整,无需调试
传感器与二次显示仪表连接:首先核对传感器的输出特性(输出脉冲的频率范围、幅值、脉宽等)与显示仪表输入特性是否相配。按照传感器的仪表系数设定显示仪表的参数设置。核对传感器电源和线制,以及阻抗匹配。还要考虑传感器的前置放大器防电磁干扰,如在室外还应采取防雨淋等措施。
传输电缆通常用带屏蔽和防护套的双芯或三芯通信电缆,有效截面积1.25~2mm2多股铜线。屏蔽线只能一端接地,最好在显示仪表端接地。尽可能用一根完整的电缆(即中间不接续)。电缆最好装入金属管里,以避免机械损伤。该金属管如同时装入另一电缆,则该电缆输送最大功率不能大于本仪表流量信号电缆输送最小功率的10倍。
传输电缆的路径不应与动力电源线平行,也不要敷设在动力电源线集中的区域,以避免电磁场的干扰。
连接管道的安装要求
水平安装的传感器要求管道不应有目测可觉察的倾斜(一般在5°以内),垂直安装的传感器管道垂直度偏差亦应小于5°。
需连续运行不能停流的场所,应装旁通管和可靠的截止阀,测量时要确保旁通管无泄漏。
在新铺设管道装传感器的位置先介入一段短管代替传感器,待:“扫线”工作完毕确认管道内清扫干净后,再正式接入传感器。由于忽视此项工作,扫线损坏传感器屡见不鲜。
若流体含杂质,则应在传感器上游侧装过滤器,对于不能停流的,应并联安装两套过滤器轮流清除杂质,或选用自动清洗型过滤器。若被测液体含有气体,则应在传感器上游侧装消气器。过滤器和消气器的排污口和消气口要通向安全的场所。
若传感器安装位置处于管线的低点,为防止流体中杂质沉淀滞留,应在其后的管线装排放阀,定期排放沉淀杂质。
被测流体若为易气化的液体,为防止发生气穴,影响测量精确度和使用期限,传感器的出口端压力应高于公式5计算的最低压力pmin
pmin=2△p+1.25pv Pa 公式1
式中 pmin——最低压力,Pa;
△p——传感器最大流量时压力损失,Pa;
pv——被测液体最高使用温度时饱和蒸汽压,Pa。
流量调节阀应装在传感器下游,上游侧的截止阀测量时应全开,且这些阀门都不得产生振动和向外泄漏。对于可能产生逆向流的流程应加止回阀以防止流体反向流动。
传感器应与管道同心,密封垫圈不得凸入管路。液体传感器不应装在水平管线的最高点,以免管线内聚集的气体(如停流时混入空气)停留在传感器处,不易排出而影像测量。
传感器前后管道应支撑牢靠,不产生振动。对易凝结流体要对传感器及其前后管道采取保温措施。
使用注意事项
(1)投入运行的启闭顺序
未装旁路管的流量传感器,先以中等开度开启流量传感器上游阀,然后缓慢开启下游阀。以较小流量运行一段时间(如10分钟),然后全开上游阀,再开大下游阀开度,调节到所需正常流量。
装有旁路管的流量传感器,先全开旁路管阀,以中等开度开启上游阀,缓慢开启下游阀,关小旁路阀开度,使仪表以较小流量运行一段时间。然后全开上游阀,全关旁路阀(要保证无泄漏),最后调节下游阀开度到所需的流量。
(2)低温和高温流体的启用
低温流体管道在通流前要排净管道中的水分,通流时先以很小流量运行15分钟,再渐渐升高至正常流量。停流时也要缓慢进行,使管道温度和环境温度逐渐接近。高温流体运行与此相类似。
(3)其他注意事项
启闭阀应尽可能平缓,如采用自动控制启闭,最好用“两段开启,两段关闭”方式,防止流体突然冲击叶轮甚至发生水锤现象损坏叶轮。
检查流量传感器下游压力。当管道压力不高,在投入运行初期观察最大流量下传感器下游压力是否大于公式1计算的pmin,否则应采取措施以防止产生气穴。
流量传感器的仪表系数是经过标准装置校验后,供给用户校验单上写明,的,谨防丢失。传感器长期使用因轴承磨损等原因,仪表系数会发生变化,应定期进行离线或在线校验。若流量超出允许范围,应更换传感器。
有些测量对象,如输送成品油管线更换油品或停用时,需定期进行扫线清管工作。扫线清管所用流体的流向、流量、压力和温度等均应符合涡轮流量计的规定,否则会引起精确度降低甚至损坏。
为保证流量计长期正常工作,要加强仪表的运行检查,一旦发现异常及时采取措施排除。监测叶轮旋转情况,如听到异常声音,用示波器监测检测线圈输出波形,如有异常波形,应及时卸下检查传感器内部零件。如怀疑有不正常现象应及时检查。保持过滤器畅通,过滤器可从出入口压力计的压差来判断是否堵塞。要定期排放消气器中从液体逸出的气体等等。
,特别是在高温和高压的条件下也是如此。电子脉冲发生器也集成在流量计内,在长期连续工作的条件下也能保持±1%的精度和±0.25%的重复性。由于灵巧的结构设计,在工作时不会形成沉淀,所以仪表的工作完成是“洁净”的。因此,即使是极为苛刻的要求,例如半导体集成电路和芯片的生产流程中使用的刻蚀剂,具有极强的耐腐蚀性,并如有一个极微小的颗粒落下,也会使芯片成为废品,这些NU.ER.T.产品都能满足。该系列流量计用途十分广泛:可用于测量、调节、分配液体,包括工业、化学、石油和商用咖啡机等。当应用于食品卫生工业时,其产品都通过美国国家食品安全部门(NSF)的验证。
技术参数
|
测量范围 |
口径 |
最小流量 |
最大流量 |
仪表系数 |
|
1.1mm |
2.1 L/h |
90 L/h |
0.487 |
|
1.2mm |
3.06 L/h |
108 L/h |
0.543 |
|
1.4mm |
5.04 L/h |
138 L/h |
0.625 |
|
1.5mm |
5.58 L/h |
150 L/h |
0.697 |
|
压力范围 |
最大20.0bar |
|
温度范围 |
-10℃/+100℃ |
|
精度等级 |
±1% |
|
重复精度 |
±0.25% |
|
管道连接 |
G 1/4 内螺纹(可根据客户要求定制) |
|
材 质 |
壳体Green Brass (五千铜) |
|
轴承INO×18/8(1.4305)不锈钢 |
|
涡轮用两块磁体得PVDF(聚偏氟乙烯) |
|
磁体SrFeO陶瓷,超声焊接 |
|
密封MVQ(硅橡胶“O”型圈) |
|
安装方式 |
水平安装 |
|
外形尺寸(L×B×H) |
55×40×47mm |
|
重 量 |
约300g |
|
认 证 |
NSF,CE |
接线方式
l 流量传感器
首先将豪斯曼接头上部的螺丝松开拔下接头部分,接线端子如图所示。

流量传感器接线方式:

仪表出厂前均已接线完毕并配带不同颜色引线,客户可重新接线使用。引线接线颜色如下:

调试与使用
流量传感器出厂前已进行了标定与调整,无需调试
传感器与二次显示仪表连接:首先核对传感器的输出特性(输出脉冲的频率范围、幅值、脉宽等)与显示仪表输入特性是否相配。按照传感器的仪表系数设定显示仪表的参数设置。核对传感器电源和线制,以及阻抗匹配。还要考虑传感器的前置放大器防电磁干扰,如在室外还应采取防雨淋等措施。
传输电缆通常用带屏蔽和防护套的双芯或三芯通信电缆,有效截面积1.25~2mm2多股铜线。屏蔽线只能一端接地,最好在显示仪表端接地。尽可能用一根完整的电缆(即中间不接续)。电缆最好装入金属管里,以避免机械损伤。该金属管如同时装入另一电缆,则该电缆输送最大功率不能大于本仪表流量信号电缆输送最小功率的10倍。
传输电缆的路径不应与动力电源线平行,也不要敷设在动力电源线集中的区域,以避免电磁场的干扰。
连接管道的安装要求
水平安装的传感器要求管道不应有目测可觉察的倾斜(一般在5°以内),垂直安装的传感器管道垂直度偏差亦应小于5°。
需连续运行不能停流的场所,应装旁通管和可靠的截止阀,测量时要确保旁通管无泄漏。
在新铺设管道装传感器的位置先介入一段短管代替传感器,待:“扫线”工作完毕确认管道内清扫干净后,再正式接入传感器。由于忽视此项工作,扫线损坏传感器屡见不鲜。
若流体含杂质,则应在传感器上游侧装过滤器,对于不能停流的,应并联安装两套过滤器轮流清除杂质,或选用自动清洗型过滤器。若被测液体含有气体,则应在传感器上游侧装消气器。过滤器和消气器的排污口和消气口要通向安全的场所。
若传感器安装位置处于管线的低点,为防止流体中杂质沉淀滞留,应在其后的管线装排放阀,定期排放沉淀杂质。
被测流体若为易气化的液体,为防止发生气穴,影响测量精确度和使用期限,传感器的出口端压力应高于公式5计算的最低压力pmin
pmin=2△p+1.25pv Pa 公式1
式中 pmin——最低压力,Pa;
△p——传感器最大流量时压力损失,Pa;
pv——被测液体最高使用温度时饱和蒸汽压,Pa。
流量调节阀应装在传感器下游,上游侧的截止阀测量时应全开,且这些阀门都不得产生振动和向外泄漏。对于可能产生逆向流的流程应加止回阀以防止流体反向流动。
传感器应与管道同心,密封垫圈不得凸入管路。液体传感器不应装在水平管线的最高点,以免管线内聚集的气体(如停流时混入空气)停留在传感器处,不易排出而影像测量。
传感器前后管道应支撑牢靠,不产生振动。对易凝结流体要对传感器及其前后管道采取保温措施。
使用注意事项
(1)投入运行的启闭顺序
未装旁路管的流量传感器,先以中等开度开启流量传感器上游阀,然后缓慢开启下游阀。以较小流量运行一段时间(如10分钟),然后全开上游阀,再开大下游阀开度,调节到所需正常流量。
装有旁路管的流量传感器,先全开旁路管阀,以中等开度开启上游阀,缓慢开启下游阀,关小旁路阀开度,使仪表以较小流量运行一段时间。然后全开上游阀,全关旁路阀(要保证无泄漏),最后调节下游阀开度到所需的流量。
(2)低温和高温流体的启用
低温流体管道在通流前要排净管道中的水分,通流时先以很小流量运行15分钟,再渐渐升高至正常流量。停流时也要缓慢进行,使管道温度和环境温度逐渐接近。高温流体运行与此相类似。
(3)其他注意事项
启闭阀应尽可能平缓,如采用自动控制启闭,最好用“两段开启,两段关闭”方式,防止流体突然冲击叶轮甚至发生水锤现象损坏叶轮。
检查流量传感器下游压力。当管道压力不高,在投入运行初期观察最大流量下传感器下游压力是否大于公式1计算的pmin,否则应采取措施以防止产生气穴。
流量传感器的仪表系数是经过标准装置校验后,供给用户校验单上写明的,谨防丢失。传感器长期使用因轴承磨损等原因,仪表系数会发生变化,应定期进行离线或在线校验。若流量超出允许范围,应更换传感器。
有些测量对象,如输送成品油管线更换油品或停用时,需定期进行扫线清管工作。扫线清管所用流体的流向、流量、压力和温度等均应符合涡轮流量计的规定,否则会引起精确度降低甚至损坏。
为保证流量计长期正常工作,要加强仪表的运行检查,一旦发现异常及时采取措施排除。监测叶轮旋转情况,如听到异常声音,用示波器监测检测线圈输出波形,如有异常波形,应及时卸下检查传感器内部零件。如怀疑有不正常现象应及时检查。保持过滤器畅通,过滤器可从出入口压力计的压差来判断是否堵塞。要定期排放消气器中从液体逸出的气体等等。
述
NU.ER,.T.系列微小流量流量计是一种采用涡轮原理设计专门测量微小流量的专用流量计,它具有极高的精度,,特别是在高温和高压的条件下也是如此。电子脉冲发生器也集成在流量计内,在长期连续工作的条件下也能保持±1%的精度和±0.25%的重复性。由于灵巧的结构设计,在工作时不会形成沉淀,所以仪表的工作完成是“洁净”的。因此,即使是极为苛刻的要求,例如半导体集成电路和芯片的生产流程中使用的刻蚀剂,具有极强的耐腐蚀性,并如有一个极微小的颗粒落下,也会使芯片成为废品,这些NU.ER.T.产品都能满足。该系列流量计用途十分广泛:可用于测量、调节、分配液体,包括工业、化学、石油和商用咖啡机等。当应用于食品卫生工业时,其产品都通过美国国家食品安全部门(NSF)的验证。
技术参数
|
测量范围 |
口径 |
最小流量 |
最大流量 |
仪表系数 |
|
1.1mm |
2.1 L/h |
90 L/h |
0.487 |
|
1.2mm |
3.06 L/h |
108 L/h |
0.543 |
|
1.4mm |
5.04 L/h |
138 L/h |
0.625 |
|
1.5mm |
5.58 L/h |
150 L/h |
0.697 |
|
压力范围 |
最大20.0bar |
|
温度范围 |
-10℃/+100℃ |
|
精度等级 |
±1% |
|
重复精度 |
±0.25% |
|
管道连接 |
G 1/4 内螺纹(可根据客户要求定制) |
|
材 质 |
壳体Green Brass (五千铜) |
|
轴承INO×18/8(1.4305)不锈钢 |
|
涡轮用两块磁体得PVDF(聚偏氟乙烯) |
|
磁体SrFeO陶瓷,超声焊接 |
|
密封MVQ(硅橡胶“O”型圈) |
|
安装方式 |
水平安装 |
|
外形尺寸(L×B×H) |
55×40×47mm |
|
重 量 |
约300g |
|
认 证 |
NSF,CE |
接线方式
l 流量传感器
首先将豪斯曼接头上部的螺丝松开拔下接头部分,接线端子如图所示。

流量传感器接线方式:

仪表出厂前均已接线完毕并配带不同颜色引线,客户可重新接线使用。引线接线颜色如下:

调试与使用
流量传感器出厂前已进行了标定与调整,无需调试
传感器与二次显示仪表连接:首先核对传感器的输出特性(输出脉冲的频率范围、幅值、脉宽等)与显示仪表输入特性是否相配。按照传感器的仪表系数设定显示仪表的参数设置。核对传感器电源和线制,以及阻抗匹配。还要考虑传感器的前置放大器防电磁干扰,如在室外还应采取防雨淋等措施。
传输电缆通常用带屏蔽和防护套的双芯或三芯通信电缆,有效截面积1.25~2mm2多股铜线。屏蔽线只能一端接地,最好在显示仪表端接地。尽可能用一根完整的电缆(即中间不接续)。电缆最好装入金属管里,以避免机械损伤。该金属管如同时装入另一电缆,则该电缆输送最大功率不能大于本仪表流量信号电缆输送最小功率的10倍。
传输电缆的路径不应与动力电源线平行,也不要敷设在动力电源线集中的区域,以避免电磁场的干扰。
连接管道的安装要求
水平安装的传感器要求管道不应有目测可觉察的倾斜(一般在5°以内),垂直安装的传感器管道垂直度偏差亦应小于5°。
需连续运行不能停流的场所,应装旁通管和可靠的截止阀,测量时要确保旁通管无泄漏。
在新铺设管道装传感器的位置先介入一段短管代替传感器,待:“扫线”工作完毕确认管道内清扫干净后,再正式接入传感器。由于忽视此项工作,扫线损坏传感器屡见不鲜。
若流体含杂质,则应在传感器上游侧装过滤器,对于不能停流的,应并联安装两套过滤器轮流清除杂质,或选用自动清洗型过滤器。若被测液体含有气体,则应在传感器上游侧装消气器。过滤器和消气器的排污口和消气口要通向安全的场所。
若传感器安装位置处于管线的低点,为防止流体中杂质沉淀滞留,应在其后的管线装排放阀,定期排放沉淀杂质。
被测流体若为易气化的液体,为防止发生气穴,影响测量精确度和使用期限,传感器的出口端压力应高于公式5计算的最低压力pmin
pmin=2△p+1.25pv Pa 公式1
式中 pmin——最低压力,Pa;
△p——传感器最大流量时压力损失,Pa;
pv——被测液体最高使用温度时饱和蒸汽压,Pa。
流量调节阀应装在传感器下游,上游侧的截止阀测量时应全开,且这些阀门都不得产生振动和向外泄漏。对于可能产生逆向流的流程应加止回阀以防止流体反向流动。
传感器应与管道同心,密封垫圈不得凸入管路。液体传感器不应装在水平管线的最高点,以免管线内聚集的气体(如停流时混入空气)停留在传感器处,不易排出而影像测量。
传感器前后管道应支撑牢靠,不产生振动。对易凝结流体要对传感器及其前后管道采取保温措施。
使用注意事项
(1)投入运行的启闭顺序
未装旁路管的流量传感器,先以中等开度开启流量传感器上游阀,然后缓慢开启下游阀。以较小流量运行一段时间(如10分钟),然后全开上游阀,再开大下游阀开度,调节到所需正常流量。
装有旁路管的流量传感器,先全开旁路管阀,以中等开度开启上游阀,缓慢开启下游阀,关小旁路阀开度,使仪表以较小流量运行一段时间。然后全开上游阀,全关旁路阀(要保证无泄漏),最后调节下游阀开度到所需的流量。
(2)低温和高温流体的启用
低温流体管道在通流前要排净管道中的水分,通流时先以很小流量运行15分钟,再渐渐升高至正常流量。停流时也要缓慢进行,使管道温度和环境温度逐渐接近。高温流体运行与此相类似。
(3)其他注意事项
启闭阀应尽可能平缓,如采用自动控制启闭,最好用“两段开启,两段关闭”方式,防止流体突然冲击叶轮甚至发生水锤现象损坏叶轮。
检查流量传感器下游压力。当管道压力不高,在投入运行初期观察最大流量下传感器下游压力是否大于公式1计算的pmin,否则应采取措施以防止产生气穴。
流量传感器的仪表系数是经过标准装置校验后,供给用户校验单上写明的,谨防丢失。传感器长期使用因轴承磨损等原因,仪表系数会发生变化,应定期进行离线或在线校验。若流量超出允许范围,应更换传感器。
有些测量对象,如输送成品油管线更换油品或停用时,需定期进行扫线清管工作。扫线清管所用流体的流向、流量、压力和温度等均应符合涡轮流量计的规定,否则会引起精确度降低甚至损坏。
为保证流量计长期正常工作,要加强仪表的运行检查,一旦发现异常及时采取措施排除。监测叶轮旋转情况,如听到异常声音,用示波器监测检测线圈输出波形,如有异常波形,应及时卸下检查传感器内部零件。如怀疑有不正常现象应及时检查。保持过滤器畅通,过滤器可从出入口压力计的压差来判断是否堵塞。要定期排放消气器中从液体逸出的气体等等。
|