|
技术原理
恒温度热扩散技术采用两只经过严格筛选,各项参数匹配一致并带有保护套管的铂热电阻(RTD)作为基本测量元件,RTD与传感器探杆采用全焊接方式连接。其中一只RTD作为参考端,测量当前的介质温度;另一只RTD上伴有一只独立的加热器,作为测量端。
当传感器置于无流量的介质中时,由于加热器的作用将在两只RTD间将形成一个温度差值ΔT=30℃左右,随着介质的流动,基于热传导原理,介质分子将带走测量端RTD上的部分热量,为了使ΔT不变,加热器将根据实时情况损耗电能量。加热器的耗电量与介质的流量及介质本身的热特性有关,较高的流速或者较大传热比的介质,将加快加热器的耗电量。我们通过惠斯通电桥及线性化电路将电损耗量转换成与流量相对应的输出信号。
产品特点
|
特点 |
针对用户问题的解决方案 |
|
恒温度加热设计,直接质量流量测量 |
提供出色的稳定性、重复性,满足用户对流量监测的要求 |
|
无需附加设备
无需压力变送器(标定时对压力变化进行补偿)
无需温度变送器(按照实际使用温度进行温补)
无需流量计算机 |
减少用户现场安装、维护的环节及费用 |
|
所有产品采用无活动部件设计 |
不会因介质脏或介质颗粒造成传感器堵塞 |
|
宽量程比100:1,对低流量敏感 |
无需进行多级测量,适用于现场各种量程 |
|
全金属焊接构造 |
传感器无磨损、抗腐蚀,保证传感器长期稳定运行 |
|
低压力损失 |
几乎没有压力损失,克服了传统差压法因管道压力低而无法测量的弊病 |
|
变送单元可以一体化也可以分体化安装 |
方便用户操作,可集中查看各风道流量值,减少工作量,同时满足高温测量的要求 |
|
传感器插入式或管道式安装 |
降低安装费用,适于各种管径的测量要求 |
|
插入式配球阀 |
便于维护和检修 |
参数指标
|
流量范围 |
0.05~80Nm/s(21.1℃,101.3kPa状态下空气) |
|
适用介质 |
所有与流量元件的材质相互兼容的气体 |
|
管径范围 |
管道式:Φ6~Φ20、DN10~DN100
插入式:DN100~DN6000 |
|
精度 |
标准精度±1%读数+0.5%的满量程 |
|
重复性 |
±0.5%读数 |
|
量程比 |
10:1到100:1,工厂设定,在标定范围内现场均可使用 |
|
测量元件材质 |
316不锈钢(可喷涂聚四氟乙烯) |
|
介质温度 |
-20℃~300℃ |
|
额定压力 |
-0.1kPa~3MPa |
|
电源 |
220VAC或者24VDC |
|
输出信号 |
4~20mA |
|
显示 |
双行LED,4位瞬时流量+8位累积流量 |
|
防爆等级 |
ExdⅡCT4 |
|
防护等级 |
IP65 |
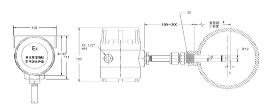
外形尺寸
如图一

图一 外形尺寸图 |